基于预应力顶板下的新型高效支护技术应用
基于预应力顶板下的新型高效支护技术应用
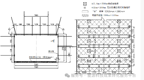
导语:煤矿巷道顶板的预应力状态和高效支护是保障顶板稳定性和巷道快速掘进的前提。转化果平台推荐的《基于预应力顶板下的新型高效支护技术应用》采用双层高强支护结构工艺,内层支护结构为超高强锚杆支护结构,外层支护结构为锚索支护结构,新研制的超高强锚杆进行支护提高了单根锚杆支护强度,减少了单位面积锚杆根数,减少支护作业时间,提高了巷道的单进水平,效果显著。 某矿井目前主采8#煤和13#煤层。为了满足安全高效的要求,回采巷道宽度基本上达到了5m以上,高度达到了3.8m,断面面积20m²左右,属于大断面巷道。由于煤矿开采强度大,尤其是8#煤层大采高综采工作面推进速度较快,客观要求巷道需要快速掘进。回采巷道采用综掘工艺方式,锚杆(索)支护密度较大,支护时间长,平均掘进速度为260米/月,导致巷道掘进效率较低。统计分析表明,在综掘总作业时间中,支护工序时间占比达到50%以上,煤巷的锚网索支护工序已经成为制约巷道快速掘进的瓶颈。 预应力顶板是改善顶板结构受力状态,减小顶板初始破坏程度,提高顶板稳定性的有效途径。实现顶板的预应力状态和高效支护,是保障顶板稳定性和巷道快速掘进的前提。因此,需要解决高预应力顶板状态下的支护结构体(锚网索)及其与围岩的相互作用机理,以及合理的支护参数问题,突破现有的锚网索支护密度大,支护时间长,支护效率低的技术瓶颈。需要提高单根锚杆的支护强度与预紧力,而新型超高强锚杆的应用可符合要求。 1.研究思路 在回采巷道围岩物理力学实验的基础上,开展基于预应力顶板下的新型高效支护技术研究,通过解决系列关键技术问题,形成超高强锚杆支护体以及高效支护技术方法,揭示预应力顶板下超高强锚杆(索)与巷道围岩的相互作用规律,实现预应力顶板下的高效支护和快速掘进。 2.研究目标 (1)不低于原巷道支护方案的支护强度; (2)提高单根锚杆支护强度,达到高强、低密支护目的; (3)实现巷道高强度、高刚度、高预紧力的“三高”支护; (4)尽量不改变现有的施工工艺与设备,保证现场工人的熟练操作。 3.技术方案 巷道支护采用双层高强支护结构,内层支护结构为超高强锚杆支护结构,加固直接顶粗粒砂岩,形成完整加固梁结构,承载上覆软弱岩层;外层支护结构为锚索支护结构,锚索将内层结构及上覆软弱岩层悬吊于基本顶,形成稳定的整体结构。 配套高强托盘适应新型超高强锚杆的锚杆作用力,加大锚杆的护表能力,扩大锚杆锚固力在围岩内的扩散范围,将表面及浅部围岩由两向受力状态转变为三向受力状态,增强围岩的稳定性。改进后试验段采用的新型超高强度锚杆直径不变,杆体材料屈服强度694MPa,锚固力为250kN左右;采用的锚索仍为φ21.6的钢绞线锚索,极限承载力为420kN。 4.支护方案与效果对比 图1 支护基本原理图 图2 原支护设计图 (1)原锚杆支护方案 (2)新型锚杆支护方案 采用新研制的超高强锚杆进行支护,提高单根锚杆支护强度,减少单位面积锚杆根数,减少总体锚杆支护时间,提高巷道的单进水平。 新型高效支护工艺经在该煤矿8#煤层18505工作面皮带巷应用证明,优化了巷道支护参数,减少了支护时间和职工劳动强度,提高了掘进效率;月进尺从260m提高到330m,年掘进巷道5000m,每年缩短掘进时间2个半月,达到了预期效果。改进后,每延米节省材费用203.61元,每年可节约材料成本101.805万元。


